Описание
Применение:
Перекачивание следующих жидкостей:
- Сточные воды с фекалиями
- Предварительно очищенные сточные воды без фекалий и длинноволокнистых фракций
- Загрязненная вода
Ваши преимущества
- Высокий гидравлический КПД благодаря одноканальным рабочим колесам
- Устойчивость к засорению благодаря свободновихревым рабочим колесам с большим свободным проходом допускающими содержание сухого вещества в стоках до 8%
- Имеются модели во взрывозащищенном исполнении
- Продольно герметичный кабельный ввод
- Встроенные датчики защиты от перегрева и контроля герметичности
- Промежуточная масляная камера с двумя торцевыми уплотнениями для обеспечения герметичности электродвигателя
- Возможность эксплуатации в непогруженном состоянии за счет режимов S2/S3
Оснащение/функция:
- Контроль герметичности камеры электродвигателя
- Контроль температуры обмотки с помощью биметаллического датчика
Комплект поставки:
- Насос с кабелем длиной 10 м
- Инструкция по монтажу и эксплуатации
Принадлежности:
- Устройство погружного монтажа
- Для насосов с напорным патрубком DN65 (V06) применяется УПМ DN80/2RK
Показать полностью
Свернуть
Характеристики
Бренд
WILO
Вес, кг
47
Минимальная температура перекачиваемой жидкости, °С
3
Макс. напор Hmax, м
8.23
Максимальная температура перекачиваемой жидкости, °С
40
Номинальный ток, А
2.9
Подключение к сети, В/Гц
3~380 В / 50 Гц
Макс. рабочее давление, бар
10
Степень защиты
IP68
Номинальная частота вращения n, об/мин
2893
Гидравлический корпус
Чугун EN-GJL-250
Рабочее колесо
Чугун EN-GJL-250
Принцип действия мотора
Асинхронный (AC)
корпус электродвигателя
Чугун EN-GJL-250
Защита электродвигателя от перегрева
биметалл
Класс нагревостойкости изоляции
H
Потребляемая мощность кВт
1.5
Коэффициент мощности
0.76
Тип включения
Прямой пуск от сети
Уплотнение со стороны рабочего колеса
QQPGG
Кольцевые уплотнения
NBR
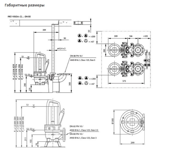
Подсоединение к трубопроводу DNs
DN65
Подсоединение к трубопроводу DNd
DN65/80
Номинальная мощность, кВт
1.1
Режим работы (в погружном состоянии)
S1
Количество пусков в час
50
Тип кабеля электропитания
H07RN-F 7G1,5
Диаметр рабочего колеса , мм
103
Свободный проход рабочего колеса
65мм
Тип рабочего колеса
Свободновихревое
Режим работы (в непогружном состоянии)
S2-30 мин, S3-25%
Уплотнение со стороны электродвигателя
BXPFF
Длина кабеля, м
10
Наличие режущего механизма
Нет
Вал электродвигателя
Нерж.сталь AISI 304
Защита электродвигателя от протечек
Электрод
Отзывы
Отзывов еще никто не оставлял
