Описание
Ин-лайн исполнение с низким уровнем шума и вибрации с промежуточным корпусом и неподвижно присоединенным унифицированным (стандартным) электродвигателем. С независящим от направления вращения скользящим торцевым уплотнением в кожухе с принудительным охлаждением и снижающим кавитацию рабочим колесом. Фланцы по EN1092-2 со штуцерами R 1/4” для возможности измерения давления. Все чугунные компоненты снаружи и внутри имеют защитное катафорезное покрытие. Электродвигатель класса IE2.
Показать полностью
Свернуть
Характеристики
Бренд
Native
Вес, кг
208
Минимальная температура перекачиваемой жидкости, °С
-30
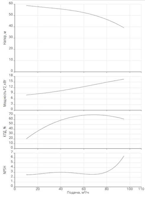
Макс. напор Hmax, м
60.27
Максимальная температура перекачиваемой жидкости, °С
120
Номинальный ток, А
34.7
Подключение к сети, В/Гц
3~380 В / 50 Гц
Макс. рабочее давление, бар
16
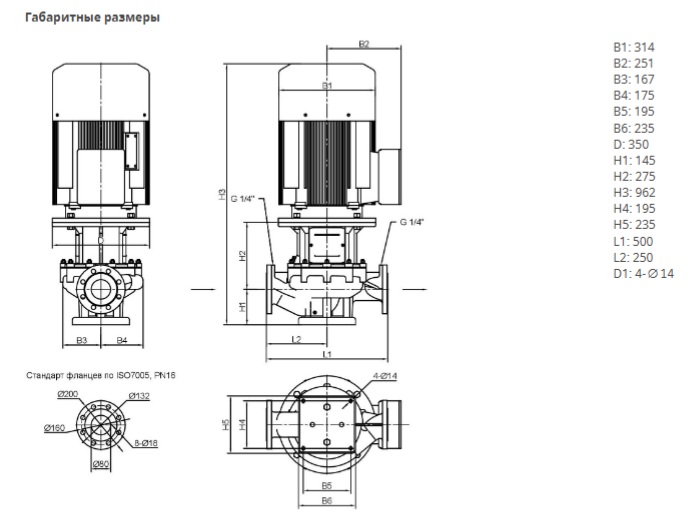
Подсоединение к трубопроводу
DN80 PN16
Степень защиты
IP55
Номинальная частота вращения n, об/мин
2940
Вал гидравлической части
Нерж.сталь AISI 304
Гидравлический корпус
Чугун EN-GJL-200
Рабочее колесо
Чугун EN-GJL-200
Уровень звукового давления
64dB
Класс нагревостойкости изоляции
F
Коэффициент мощности
0.89
Уплотнение со стороны рабочего колеса
G1-U3AEFG
Номинальная мощность, кВт
18.5
Класс эффективности
IE2
КПД
90.9%
Количество пусков в час
6
Диаметр рабочего колеса , мм
205
Монтажное исполнение
IM V1
Типоразмер (габарит)
160
Сервис фактор (SF)
1
Кабельный ввод
2 × M36*1.5
Фонарь
Чугун EN-GJL-250
Отзывы
Отзывов еще никто не оставлял
