Описание
Ин-лайн исполнение с низким уровнем шума и вибрации с промежуточным корпусом и неподвижно присоединенным унифицированным (стандартным) электродвигателем. С независящим от направления вращения скользящим торцевым уплотнением в кожухе с принудительным охлаждением и снижающим кавитацию рабочим колесом. Фланцы по EN1092-2 со штуцерами R 1/4” для возможности измерения давления. Все чугунные компоненты снаружи и внутри имеют защитное катафорезное покрытие. Электродвигатель класса IE2.
Показать полностью
Свернуть
Характеристики
Бренд
Native
Вес, кг
64
Минимальная температура перекачиваемой жидкости, °С
-30
Макс. напор Hmax, м
35.5
Максимальная температура перекачиваемой жидкости, °С
120
Номинальный ток, А
8.05
Подключение к сети, В/Гц
3~380 В / 50 Гц
Макс. рабочее давление, бар
16
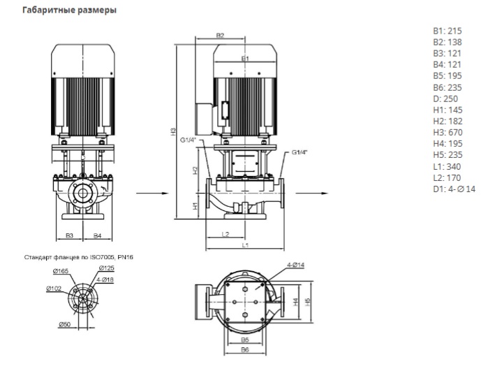
Подсоединение к трубопроводу
DN50 PN16
Степень защиты
IP55
Номинальная частота вращения n, об/мин
2910
Вал гидравлической части
Нерж.сталь AISI 304
Гидравлический корпус
Чугун EN-GJL-250
Рабочее колесо
Чугун EN-GJL-200
Уровень звукового давления
67dB
Защита электродвигателя от перегрева
биметалл
Класс нагревостойкости изоляции
F
Коэффициент мощности
0.88
Уплотнение со стороны рабочего колеса
G1-U3AEFG
Номинальная мощность, кВт
4
Класс эффективности
IE2
КПД
85.8%
Диаметр рабочего колеса , мм
155
Монтажное исполнение
IM V1
Типоразмер (габарит)
112
Сервис фактор (SF)
1
Кабельный ввод
1× M25*1.5
Фонарь
Чугун EN-GJL-200
Отзывы
Отзывов еще никто не оставлял
