Описание
Перекачивание воды и водогликолевых смесей без абразивных
включений в системах отопления, кондиционирования и
охлаждения.
Преимущества
- Низкий уровень шума
- Поверхности всех чугунных компонентов с защитным катафорезным покрытием
- Широкий диапазон гидравлических характеристик
- Минимальное сопротивление потоку за счет дополнительной механической обработки
- Съемная конструкция комплектной опорной пластины (DN40-150)
- Единая конструкция вала-муфты (DN40-150)
- Встроенная защита мотора
- СТУ в виде картриджа, не требующее демонтажа электродвигателя при замене (DN200-300)
Показать полностью
Свернуть
Характеристики
Бренд
Native
Вес, кг
38
Минимальная температура перекачиваемой жидкости, °С
-30
Макс. напор Hmax, м
22.94
Максимальная температура перекачиваемой жидкости, °С
120
Номинальный ток, А
7.02
Подключение к сети, В/Гц
1~220 В / 50 Гц
Макс. рабочее давление, бар
16
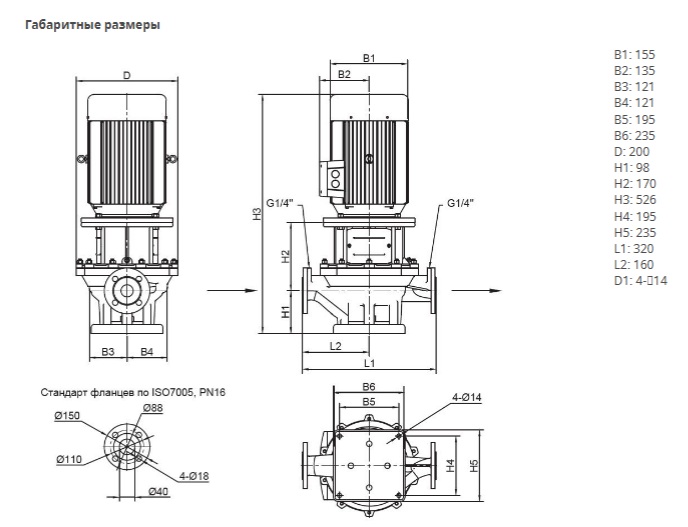
Подсоединение к трубопроводу
DN40 PN16
Степень защиты
IP55
Номинальная частота вращения n, об/мин
2800
Вал гидравлической части
Нерж.сталь AISI 304
Гидравлический корпус
Чугун EN-GJL-250
Рабочее колесо
Чугун EN-GJL-200
Уровень звукового давления
52dB
Защита электродвигателя от перегрева
биметалл
Класс нагревостойкости изоляции
F
Коэффициент мощности
0.83
Уплотнение со стороны рабочего колеса
G1-U3AEFG
Номинальная мощность, кВт
1.1
Класс эффективности
IE2
КПД
79.6%
Диаметр рабочего колеса , мм
120
Монтажное исполнение
IM V1
Типоразмер (габарит)
80
Сервис фактор (SF)
1
Кабельный ввод
1 × M20*1.5
Фонарь
Чугун EN-GJL-200
Отзывы
Отзывов еще никто не оставлял
