Описание
Оснащен электродвигателем однофазного или трехфазного тока с кабелем 2 м. Имеется рукоятка для переноски. Высота всасывания до 8 м. Все детали, находящиеся в контакте с водой, изготовлены из устойчивых к коррозии материалов.
Показать полностью
Свернуть
Характеристики
Бренд
WILO
Вес, кг
13.5
Минимальная температура перекачиваемой жидкости, °С
5
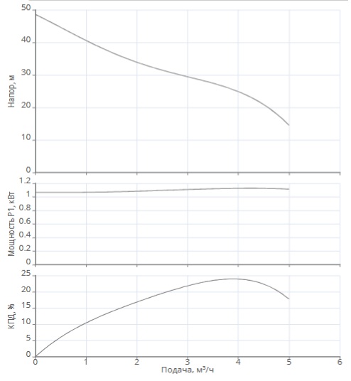
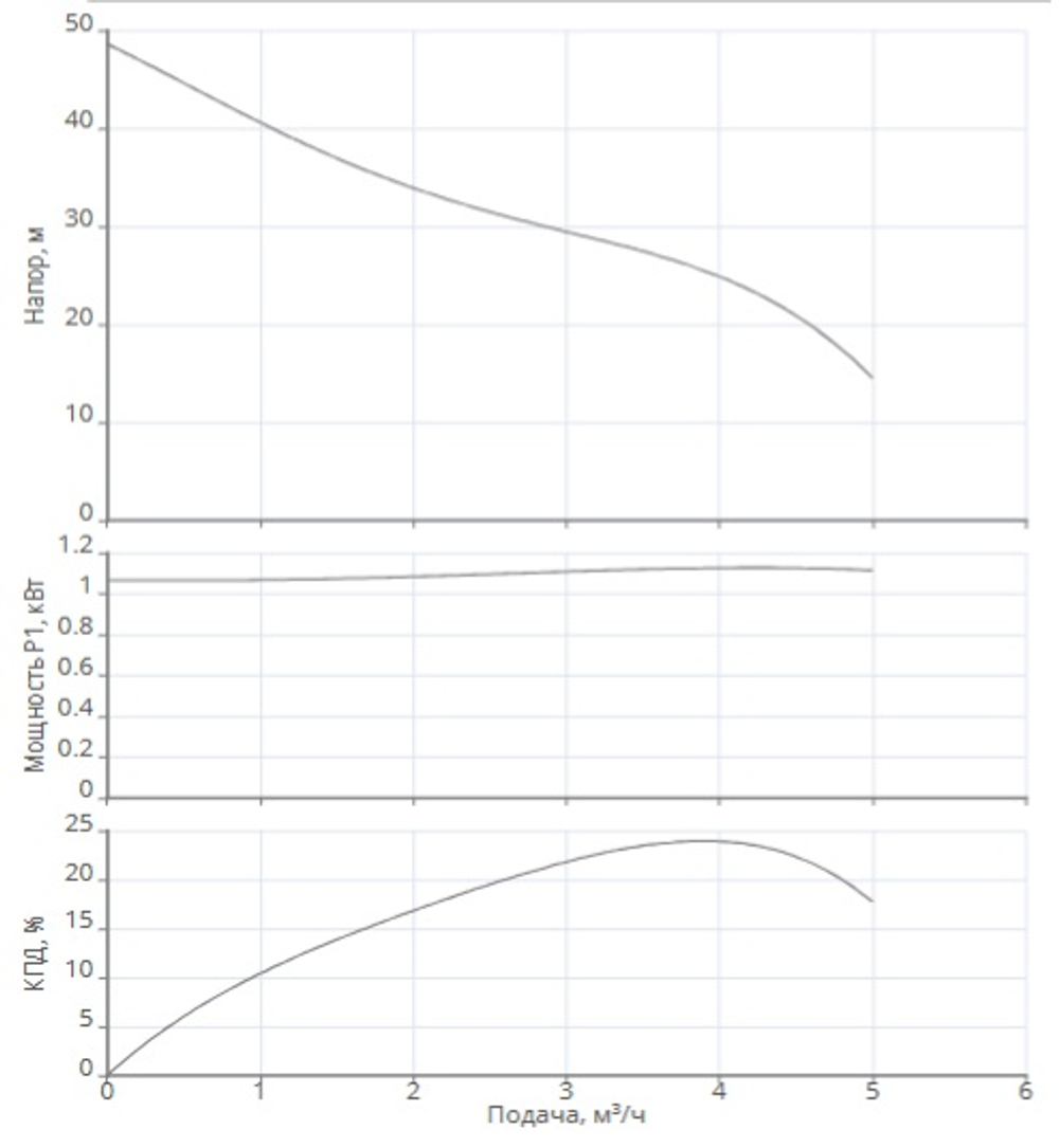
Макс. напор Hmax, м
48.62
Максимальная температура перекачиваемой жидкости, °С
35
Номинальный ток, А
4.3
Подключение к сети, В/Гц
3~380 В / 50 Гц
Макс. рабочее давление, бар
6
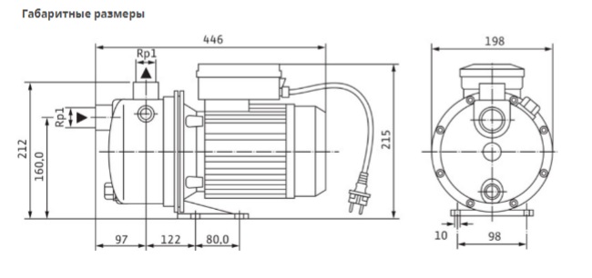
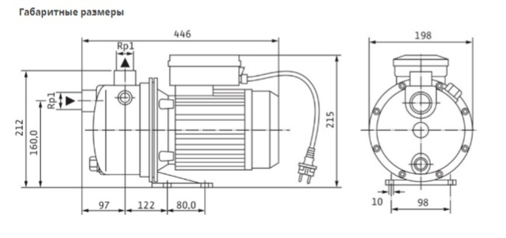
Подсоединение к трубопроводу
Rp 1
Степень защиты
IP 44
Номинальная частота вращения n, об/мин
2900
Вал гидравлической части
Нерж.сталь AISI 304
Гидравлический корпус
Нерж.сталь AISI 304
Рабочее колесо
Нерж.сталь AISI 304
Класс нагревостойкости изоляции
В
Система управления насосом с мембранным баком
нет
Коэффициент мощности
0.91
Тип включения
Прямой пуск от сети
Уплотнение со стороны рабочего колеса
СVPFF
Номинальная мощность, кВт
1
Класс эффективности
IE3
Отзывы
Отзывов еще никто не оставлял
