Описание
Оснащен электродвигателем однофазного или трехфазного тока с кабелем 2 м. Имеется рукоятка для переноски. Высота всасывания до 8 м. Все детали, находящиеся в контакте с водой, изготовлены из устойчивых к коррозии материалов.
Показать полностью
Свернуть
Характеристики
Бренд
WILO
Вес, кг
9.6
Минимальная температура перекачиваемой жидкости, °С
5
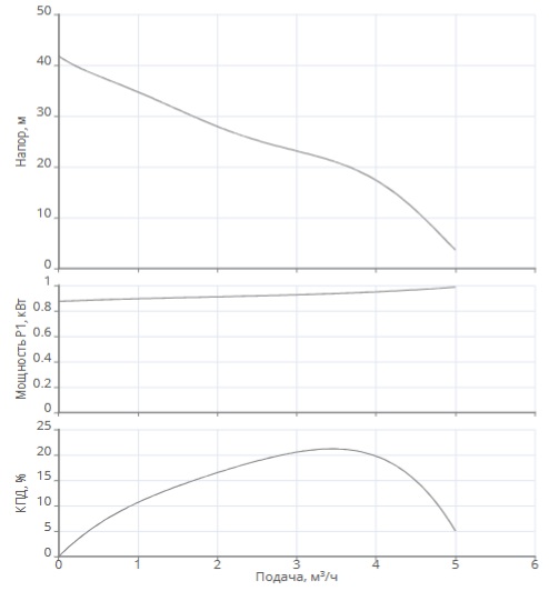
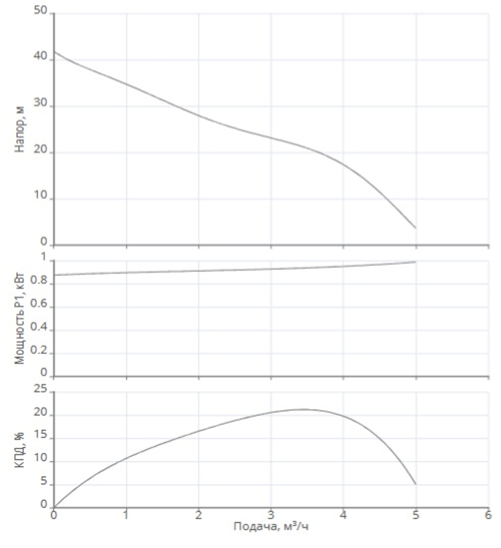
Макс. напор Hmax, м
41.81
Максимальная температура перекачиваемой жидкости, °С
35
Номинальный ток, А
3.1
Подключение к сети, В/Гц
3~380 В / 50 Гц
Макс. рабочее давление, бар
6
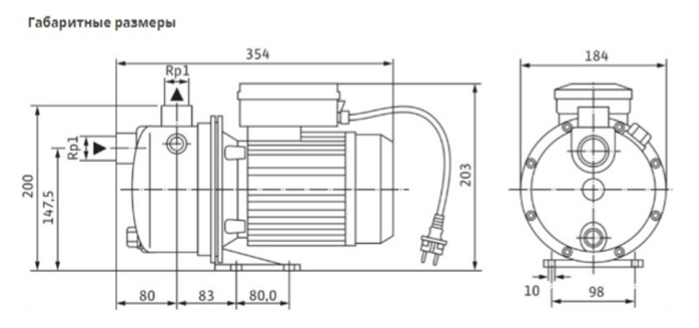
Подсоединение к трубопроводу
Rp 1
Степень защиты
IP 44
Номинальная частота вращения n, об/мин
2900
Вал гидравлической части
Нерж.сталь AISI 304
Гидравлический корпус
Нерж.сталь AISI 304
Рабочее колесо
Нерж.сталь AISI 304
Класс нагревостойкости изоляции
В
Система управления насосом с мембранным баком
нет
Коэффициент мощности
0.98
Тип включения
Прямой пуск от сети
Уплотнение со стороны рабочего колеса
СVPFF
Номинальная мощность, кВт
0.75
Класс эффективности
IE3
Отзывы
Отзывов еще никто не оставлял
