Описание
Применение:
Водоотведение из бытовой канализации и канализации земельных участков, отвода сточных вод водного хозяйства, в очистных сооружениях, промышленных и технологических системах.
Ваши преимущества
- Прочное исполнение конструкции для надежной установки
- Режущий механизм на входе в насос для перекачивания сложных по составу жидкостей
- Встроенная донная опора для простого монтажа
- Универсальность монтажа: возможность стационарной установки при помощи устройства погружного монтажа или на донной опоре с непосредственным подсоединением трубопровода к фланцевому напорному патрубку, а также возможность мобильной установки с подсоединением шланга к специальному переходнику
- Специальная пробка на напорном патрубке для отвода воздуха из гидравлической части
- Обеспечение герметичности за счет промежуточной масляной камеры и двух независимых торцевых уплотнений
- Удобство обслуживания за счет резьбовой пробки масляной камеры, расположенной снаружи на корпусе
- Защита обмоток от перегрева в случае блокировки рабочего колеса или нерасчетных условий эксплуатации
- Режим S3 для работы в частично погруженном состоянии и возможности откачивания воды до верха гидравлической части
Комплект поставки:
- Насос в сборе с кабелем 10 м (с вилкой и установленным УЗО для однофазных моделей, со свободным концом для трехфазных моделей)
- Подключенный поплавковый выключатель (исполнение S)
- Переходник для подсоединения шланга
- Инструкция по монтажу и эксплуатации
Показать полностью
Свернуть
Характеристики
Бренд
Native
Вес, кг
49
Минимальная температура перекачиваемой жидкости, °С
3
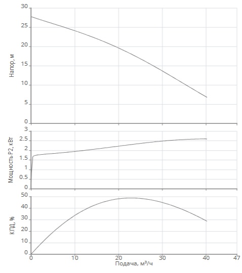
Макс. напор Hmax, м
27.74
Максимальная температура перекачиваемой жидкости, °С
40
Номинальный ток, А
6.37
Подключение к сети, В/Гц
3~380 В / 50 Гц
Макс. рабочее давление, бар
10
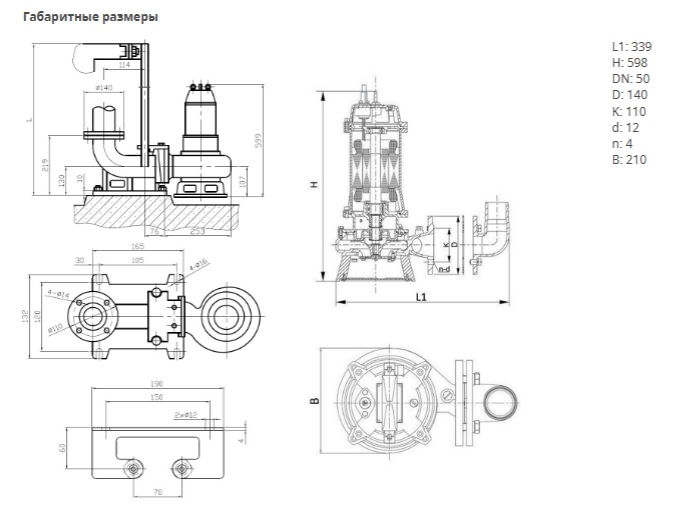
Подсоединение к трубопроводу
DN50
Степень защиты
IP68
Номинальная частота вращения n, об/мин
2850
Вал гидравлической части
Нерж.сталь AISI 304
Гидравлический корпус
Чугун EN-GJL-200
Рабочее колесо
Нерж.сталь AISI 420
корпус электродвигателя
Чугун EN-GJL-200
Защита электродвигателя от перегрева
биметалл
Класс нагревостойкости изоляции
F
Коэффициент мощности
0.87
Тип включения
Прямой пуск от сети
Уплотнение со стороны рабочего колеса
SiC: graphite/TC-SiC
Кольцевые уплотнения
NBR
Номинальная мощность, кВт
3
КПД
84.6%
Режим работы (в погружном состоянии)
S1
Количество пусков в час
72
Тип кабеля электропитания
H07RN-F 6x1
Длина кабеля
10м
Режущий механизм
Да
Свободный проход рабочего колеса
25мм
Тип рабочего колеса
Свободновихревое
Отношение пускового тока к номинальному
5.23
Режим работы (в непогружном состоянии)
S3 10%
Тип контрольного кабеля
10
Отзывы
Отзывов еще никто не оставлял
