Описание
Циркуляционный насос с мокрым ротором, с резьбовым или фланцевым соединением, для применения в системах горячего водоснабжения, отопления, кондиционирования, закрытых контурах охлаждения и в промышленных циркуляционных системах. Устойчив к токам блокировки.
Показать полностью
Свернуть
Характеристики
Бренд
Native
Вес, кг
18.2
Минимальная температура перекачиваемой жидкости, °С
2
Макс. напор Hmax, м
8.61
Макс. расход Qmax, м3/ч
30.0
Максимальная температура перекачиваемой жидкости, °С
110
Номинальный ток, А
3.4
Класс защиты
IP44
Подключение к сети, В/Гц
1~220 В / 50 Гц
Макс. рабочее давление, бар
10
Подсоединение к трубопроводу
DN65 PN6/10
Номинальная частота вращения n, об/мин
2900
Вал гидравлической части
Нержавеющая сталь
Гидравлический корпус
Чугун EN-GJL-250
Рабочее колесо
нержавеющая сталь
Уровень звукового давления
50 dB(A)
Подшипник
карбид кремния
Принцип действия мотора
асинхронный
корпус электродвигателя
алюминий
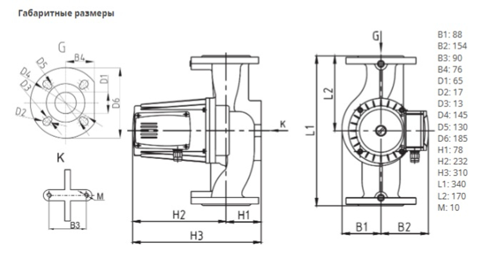
Габаритная длина, мм
340
Класс нагревостойкости изоляции
H
Потребляемая мощность кВт
0.7
Отзывы
Отзывов еще никто не оставлял
