Описание
Насос предназначен для установки в системах отопления, вентиляции и ГВС. Обладает улучшенными гидравлическими характеристиками благодаря обновленному дизайну и конфигурации ротора, гидравлической части и рабочего колеса.
Показать полностью
Свернуть
Характеристики
Бренд
Native
Вес, кг
22.93
Минимальная температура перекачиваемой жидкости, °С
2
Макс. напор Hmax, м
15.98
Макс. расход Qmax, м3/ч
33.6
Максимальная температура перекачиваемой жидкости, °С
110
Номинальный ток, А
3.05
Класс защиты
IP42
Подключение к сети, В/Гц
3~380 В / 50 Гц
Макс. рабочее давление, бар
10
Подсоединение к трубопроводу
DN50 PN6/10
Номинальная частота вращения n, об/мин
2900
Вал гидравлической части
Нержавеющая сталь
Гидравлический корпус
Чугун EN-GJL-250
Рабочее колесо
композитный материал
Уровень звукового давления
54 dB
Подшипник
карбид кремния
Принцип действия мотора
асинхронный
корпус электродвигателя
алюминий
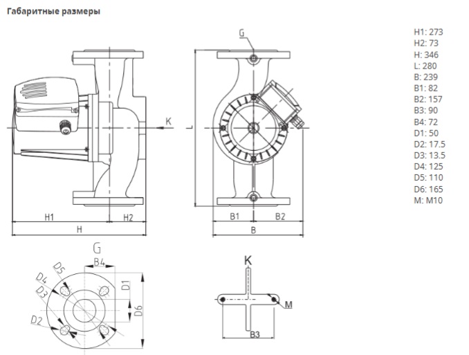
Габаритная длина, мм
280
Защита электродвигателя от перегрева
биметалл
Класс нагревостойкости изоляции
H
Потребляемая мощность кВт
1.3
Отзывы
Отзывов еще никто не оставлял
