Описание
Насос предназначен для установки в системах отопления, вентиляции и ГВС. Обладает улучшенными гидравлическими характеристиками благодаря обновленному дизайну и конфигурации ротора, гидравлической части и рабочего колеса.
Показать полностью
Свернуть
Характеристики
Бренд
Native
Вес, кг
8.1
Минимальная температура перекачиваемой жидкости, °С
2
Макс. напор Hmax, м
8.01
Макс. расход Qmax, м3/ч
8.5
Максимальная температура перекачиваемой жидкости, °С
110
Номинальный ток, А
1.1
Класс защиты
IP42
Подключение к сети, В/Гц
1~220 В / 50 Гц
Макс. рабочее давление, бар
10
Подсоединение к трубопроводу
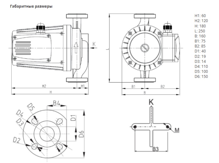
DN40 PN6/10
Номинальная частота вращения n, об/мин
2900
Вал гидравлической части
керамика
Гидравлический корпус
Чугун EN-GJL-250
Уровень звукового давления
48 dB
Подшипник
керамика
Принцип действия мотора
асинхронный
корпус электродвигателя
алюминий
Габаритная длина, мм
250
Защита электродвигателя от перегрева
биметалл
Класс нагревостойкости изоляции
H
Потребляемая мощность кВт
0.245
Отзывы
Отзывов еще никто не оставлял
