Описание
Циркуляционный насос с мокрым ротором, с резьбовым или фланцевым соединением, для применения в системах горячего водоснабжения, отопления, кондиционирования, закрытых контурах охлаждения и в промышленных циркуляционных системах. Устойчив к токам блокировки.
Показать полностью
Свернуть
Характеристики
Бренд
Native
Вес, кг
10.8
Минимальная температура перекачиваемой жидкости, °С
2
Макс. напор Hmax, м
6.29
Макс. расход Qmax, м3/ч
18
Максимальная температура перекачиваемой жидкости, °С
110
Номинальный ток, А
2.5
Класс защиты
IP44
Подключение к сети, В/Гц
1~220 В / 50 Гц
Макс. рабочее давление, бар
10
Подсоединение к трубопроводу
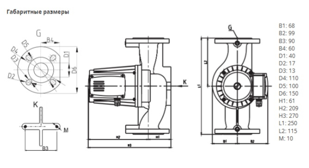
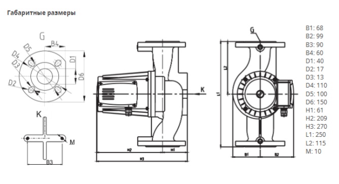
DN40 PN6/10
Номинальная частота вращения n, об/мин
2900
Вал гидравлической части
керамика
Гидравлический корпус
Чугун EN-GJL-250
Рабочее колесо
композитный материал
Уровень звукового давления
50 dB(A)
Подшипник
керамика
Принцип действия мотора
асинхронный
корпус электродвигателя
алюминий
Габаритная длина, мм
250
Защита электродвигателя от перегрева
биметалл
Класс нагревостойкости изоляции
H
Потребляемая мощность кВт
0.5
Отзывы
Отзывов еще никто не оставлял
