Описание
Насос предназначен для установки в системах отопления, вентиляции и ГВС. Обладает улучшенными гидравлическими характеристиками благодаря обновленному дизайну и конфигурации ротора, гидравлической части и рабочего колеса.
Показать полностью
Свернуть
Характеристики
Бренд
Native
Вес, кг
4.6
Минимальная температура перекачиваемой жидкости, °С
2
Макс. напор Hmax, м
8.04
Максимальная температура перекачиваемой жидкости, °С
110
Номинальный ток, А
1.1
Подключение к сети, В/Гц
1~220 В / 50 Гц
Допустимые перекачиваемые среды
вода
Макс. рабочее давление, бар
10
Подсоединение к трубопроводу
G 2 PN10
Степень защиты
IP 44
Номинальная частота вращения n, об/мин
2900
Вал гидравлической части
керамика
Гидравлический корпус
Чугун EN-GJL-250
Рабочее колесо
композитный материал
Уровень звукового давления
45 dB(A)
Подшипник
керамика
Принцип действия мотора
асинхронный
корпус электродвигателя
алюминий
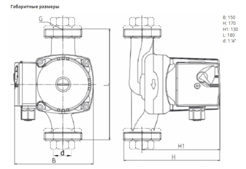
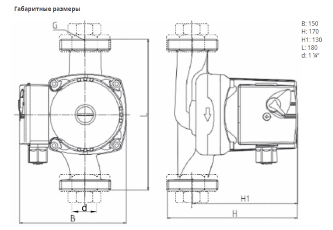
Габаритная длина, мм
180
Защита электродвигателя от перегрева
биметалл
Отзывы
Отзывов еще никто не оставлял
