Описание
Насос предназначен для установки в системах отопления, вентиляции и ГВС. Обладает улучшенными гидравлическими характеристиками благодаря обновленному дизайну и конфигурации ротора, гидравлической части и рабочего колеса.
Показать полностью
Свернуть
Характеристики
Бренд
Native
Вес, кг
3.3
Минимальная температура перекачиваемой жидкости, °С
2
Макс. напор Hmax, м
7.53
Максимальная температура перекачиваемой жидкости, °С
110
Номинальный ток, А
0.85
Подключение к сети, В/Гц
1~220 В / 50 Гц
Допустимые перекачиваемые среды
вода
Макс. рабочее давление, бар
10
Подсоединение к трубопроводу
G 1 1/2 PN10
Степень защиты
IP 44
Номинальная частота вращения n, об/мин
2900
Вал гидравлической части
керамика
Гидравлический корпус
Чугун EN-GJL-250
Уровень звукового давления
45 dB(A)
Подшипник
керамика
Принцип действия мотора
асинхронный
корпус электродвигателя
алюминий
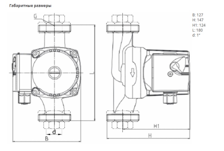
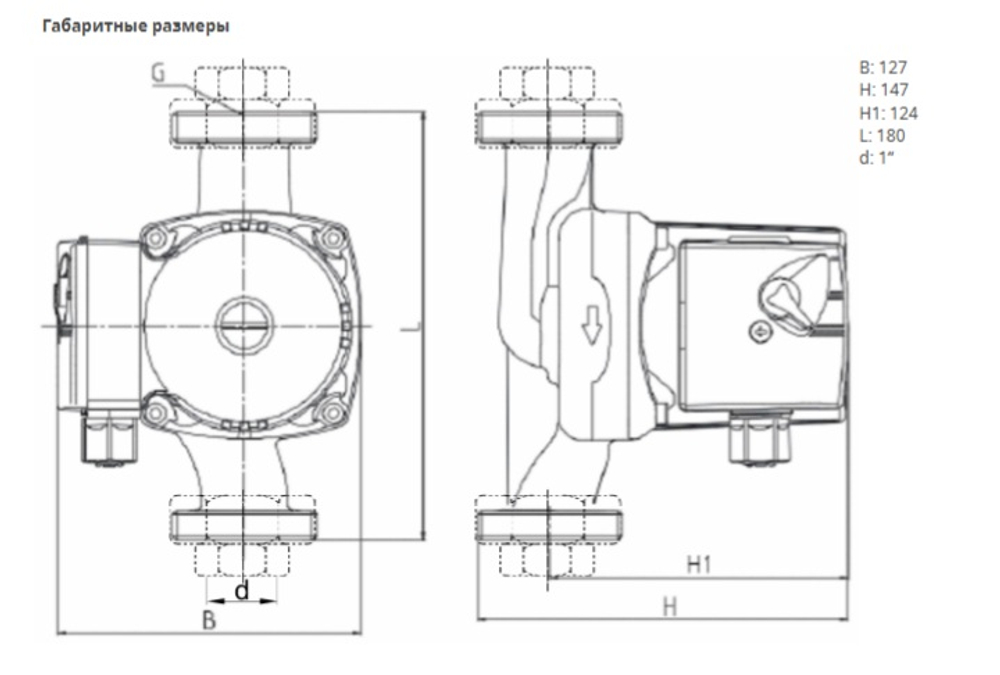
Габаритная длина, мм
180
Отзывы
Отзывов еще никто не оставлял
