Описание
Насос предназначен для установки в системах отопления и ГВС.
Показать полностью
Свернуть
Характеристики
Бренд
Native
Вес, кг
3
Минимальная температура перекачиваемой жидкости, °С
2
Макс. напор Hmax, м
6.36
Макс. расход Qmax, м3/ч
3.76
Максимальная температура перекачиваемой жидкости, °С
110
Номинальный ток, А
0.73
Класс защиты
IP44
Подключение к сети, В/Гц
1~220 В / 50 Гц
Макс. рабочее давление, бар
10
Подсоединение к трубопроводу
G 1 1/2 PN10
Номинальная частота вращения n, об/мин
2900
Вал гидравлической части
керамика
Гидравлический корпус
латунь
Рабочее колесо
композитный материал
Уровень звукового давления
45 dB(A)
Подшипник
керамика
Принцип действия мотора
асинхронный
корпус электродвигателя
алюминий
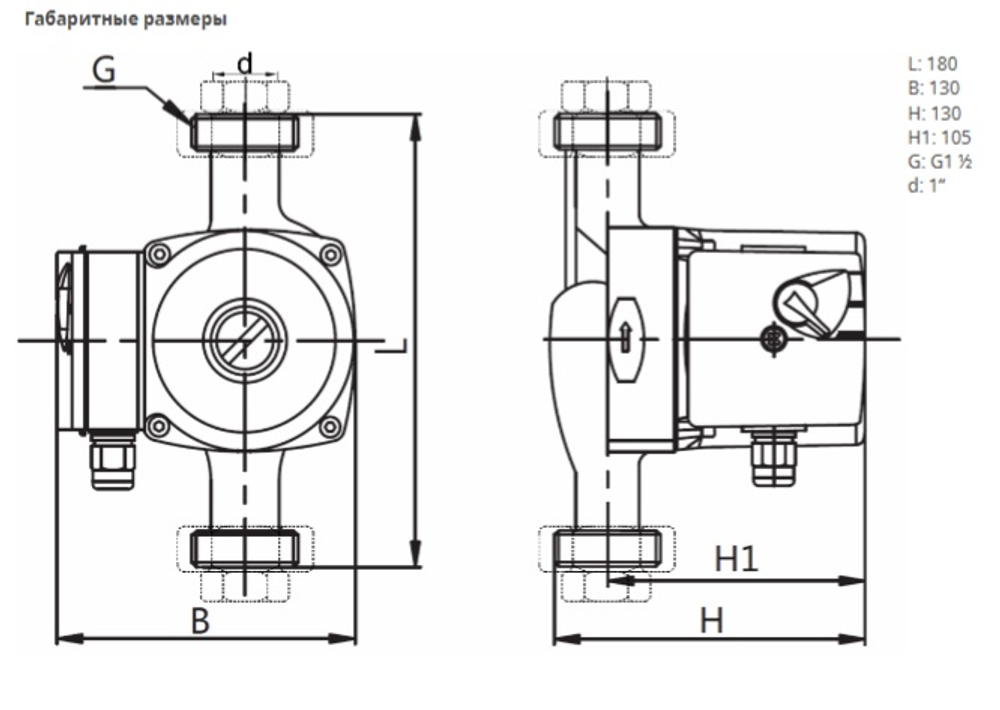
Габаритная длина, мм
180
Класс нагревостойкости изоляции
H
Потребляемая мощность кВт
0.14
Отзывы
Отзывов еще никто не оставлял
