Описание
Насос предназначен для установки в системах отопления, вентиляции и ГВС. Обладает улучшенными гидравлическими характеристиками благодаря обновленному дизайну и конфигурации ротора, гидравлической части и рабочего колеса.
Показать полностью
Свернуть
Характеристики
Бренд
Native
Вес, кг
6.6
Минимальная температура перекачиваемой жидкости, °С
2
Макс. напор Hmax, м
12.28
Макс. расход Qmax, м3/ч
6.2
Максимальная температура перекачиваемой жидкости, °С
110
Номинальный ток, А
1.5
Класс защиты
IP44
Подключение к сети, В/Гц
1~220 В / 50 Гц
Макс. рабочее давление, бар
10
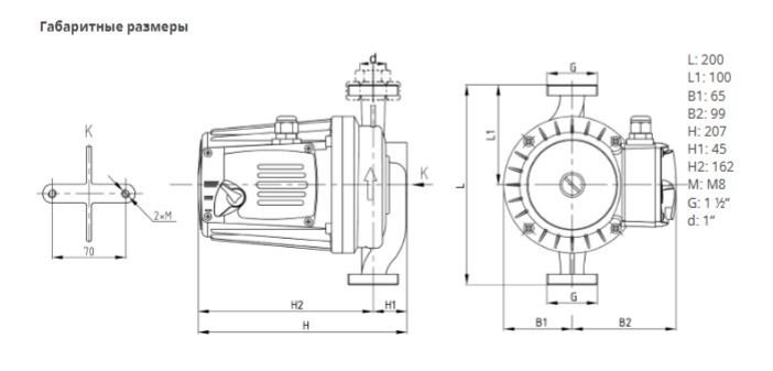
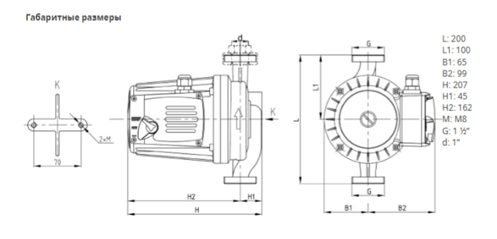
Подсоединение к трубопроводу
G 1 1/2 PN10
Номинальная частота вращения n, об/мин
2900
Вал гидравлической части
керамика
Гидравлический корпус
Чугун EN-GJL-250
Уровень звукового давления
50 dB(A)
Подшипник
керамика
Принцип действия мотора
асинхронный
корпус электродвигателя
алюминий
Габаритная длина, мм
200
Защита электродвигателя от перегрева
биметалл
Класс нагревостойкости изоляции
H
Отзывы
Отзывов еще никто не оставлял
