Описание
Циркуляционный насос с мокрым ротором, с резьбовым или фланцевым соединением, для применения в системах горячего водоснабжения, отопления, кондиционирования, закрытых контурах охлаждения и в промышленных циркуляционных системах. Устойчив к токам блокировки.
Показать полностью
Свернуть
Характеристики
Бренд
Native
Вес, кг
1
Минимальная температура перекачиваемой жидкости, °С
2
Макс. напор Hmax, м
1.51
Максимальная температура перекачиваемой жидкости, °С
110
Номинальный ток, А
0.08
Подключение к сети, В/Гц
1~220 В / 50 Гц
Допустимые перекачиваемые среды
вода
Макс. рабочее давление, бар
10
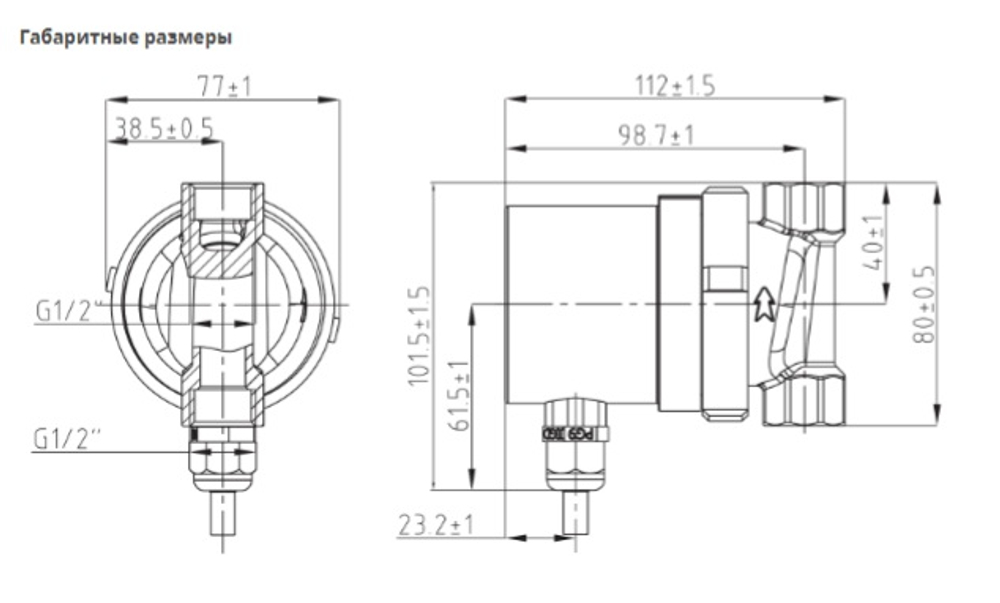
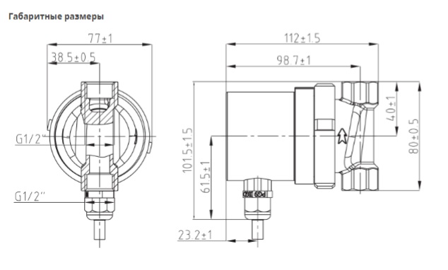
Подсоединение к трубопроводу
Rp 1/2 PN10
Степень защиты
IP 44
Номинальная частота вращения n, об/мин
2900
Вал гидравлической части
керамика
Гидравлический корпус
латунь
Рабочее колесо
композитный материал
Уровень звукового давления
45 dB(A)
Принцип действия мотора
синхронный
корпус электродвигателя
композитный материал
Габаритная длина, мм
80
Отзывы
Отзывов еще никто не оставлял
