Описание
Насос предназначен для применения в системах отопления и вентиляции, а также в рамках приточных установок и в промышленных циркуляционных системах. Насос обладает высокой эффективностью благодаря электронно-коммутируемому электродвигателю на постоянных магнитах и автоматическому поддержанию выбранного режима работы.
Показать полностью
Свернуть
Характеристики
Бренд
Native
Вес, кг
16
Минимальная температура перекачиваемой жидкости, °С
2
Макс. напор Hmax, м
15.39
Макс. расход Qmax, м3/ч
29
Максимальная температура перекачиваемой жидкости, °С
110
Номинальный ток, А
3.5
Класс защиты
IP44
Подключение к сети, В/Гц
1~220 В / 50 Гц
Макс. рабочее давление, бар
10
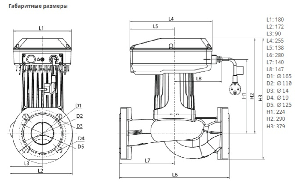
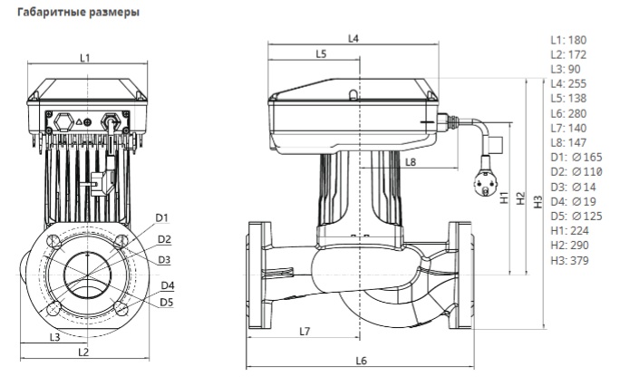
Подсоединение к трубопроводу
DN50 PN6/10
Номинальная частота вращения n, об/мин
3900
Вал гидравлической части
керамика
Гидравлический корпус
Чугун EN-GJL-250 с катафорезным покрытием
Рабочее колесо
композитный материал
Уровень звукового давления
55 dB
Подшипник
керамика
Принцип действия мотора
синхронный
корпус электродвигателя
алюминий
Габаритная длина, мм
280
Защита электродвигателя от перегрева
биметалл
Индекс энергоэффективности (EEI)
EEI: ≤0,21
Постоянная скорость вращения CS (Constant Speed)
да
Постоянный перепад давления
да
Пропорциональный перепад давления
да
Адаптивный режим
да
Класс нагревостойкости изоляции
F
Потребляемая мощность кВт
0.66
Отзывы
Отзывов еще никто не оставлял
