Описание
Энергоэффективный циркуляционный насос с мокрым ротором и резьбовым соединением. Для применения в системах отопления, кондиционирования, теплого пола. Насос разработан специально для частных домов и коттеджей, работает с низким уровнем шума.
Показать полностью
Свернуть
Характеристики
Бренд
Native
Вес, кг
1.4
Минимальная температура перекачиваемой жидкости, °С
-20
Макс. напор Hmax, м
8.09
Макс. расход Qmax, м3/ч
2.9
Максимальная температура перекачиваемой жидкости, °С
110
Номинальный ток, А
0.65
Подключение к сети, В/Гц
1~220 В / 50 Гц
Макс. рабочее давление, бар
10
Подсоединение к трубопроводу
G 1 PN10
Степень защиты
IP 44
Номинальная частота вращения n, об/мин
3000
Вал гидравлической части
керамика
Гидравлический корпус
Чугун EN-GJL-250
Рабочее колесо
композитный материал
Уровень звукового давления
43 dB(A)
Подшипник
керамика
Принцип действия мотора
синхронный
корпус электродвигателя
полиамид
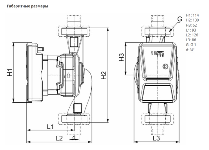
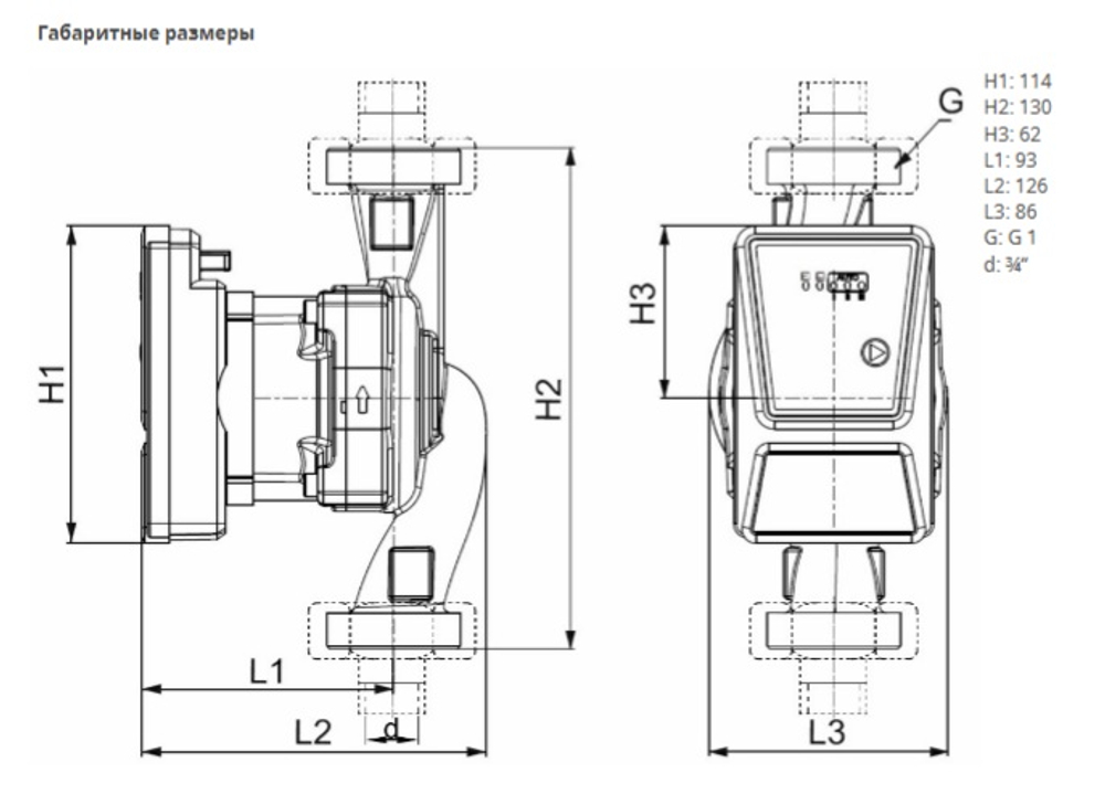
Габаритная длина, мм
130
Индекс энергоэффективности (EEI)
EEI: ≤0,21
Постоянная скорость вращения CS (Constant Speed)
да
Постоянный перепад давления
да
Пропорциональный перепад давления
да
Адаптивный режим
да
Класс нагревостойкости изоляции
F
Отзывы
Отзывов еще никто не оставлял
