Описание
Насос предназначен для установки в системах отопления и вентиляции. Обладает пониженным уровнем шума благодаря обновленному дизайну и конфигурации гидравлической части, ротора и рабочего колеса.
Показать полностью
Свернуть
Характеристики
Бренд
Native
Вес, кг
18.5
Минимальная температура перекачиваемой жидкости, °С
2
Макс. напор Hmax, м
18.1
Макс. расход Qmax, м3/ч
17.7
Максимальная температура перекачиваемой жидкости, °С
110
Номинальный ток, А
6.5
Класс защиты
IP44
Подключение к сети, В/Гц
1~220 В / 50 Гц
Макс. рабочее давление, бар
10
Подсоединение к трубопроводу
DN40 PN6/10
Номинальная частота вращения n, об/мин
2900
Вал гидравлической части
Нержавеющая сталь
Гидравлический корпус
Чугун EN-GJL-250
Рабочее колесо
композитный материал
Уровень звукового давления
55 dB
Подшипник
карбид кремния
Принцип действия мотора
асинхронный
корпус электродвигателя
алюминий
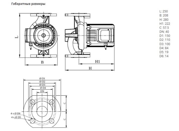
Габаритная длина, мм
250
Защита электродвигателя от перегрева
биметалл
Класс нагревостойкости изоляции
F
Потребляемая мощность кВт
1.3
Отзывы
Отзывов еще никто не оставлял
