Описание
Насос предназначен для установки в системах отопления и вентиляции. Обладает пониженным уровнем шума благодаря обновленному дизайну и конфигурации гидравлической части, ротора и рабочего колеса. Оснащён асинхронным электродвигателем. Устойчив к токам блокировки.
Показать полностью
Свернуть
Характеристики
Бренд
Native
Вес, кг
18
Минимальная температура перекачиваемой жидкости, °С
2
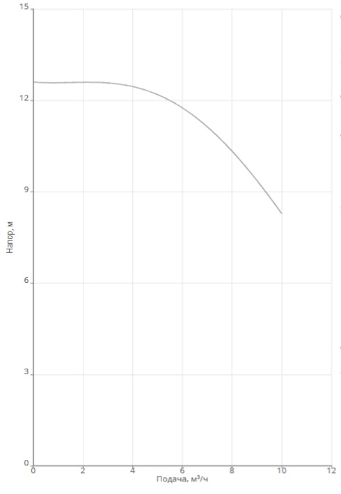
Макс. напор Hmax, м
12.6
Макс. расход Qmax, м3/ч
14
Максимальная температура перекачиваемой жидкости, °С
110
Номинальный ток, А
3.4
Класс защиты
IP44
Подключение к сети, В/Гц
1~220 В / 50 Гц
Макс. рабочее давление, бар
10
Подсоединение к трубопроводу
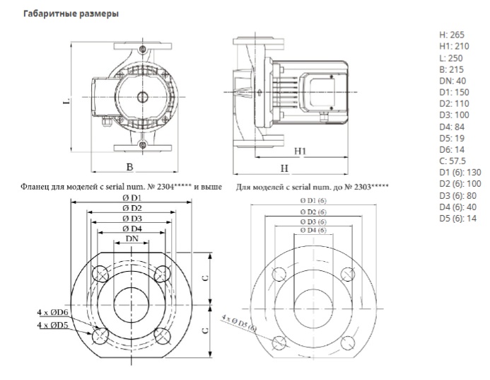
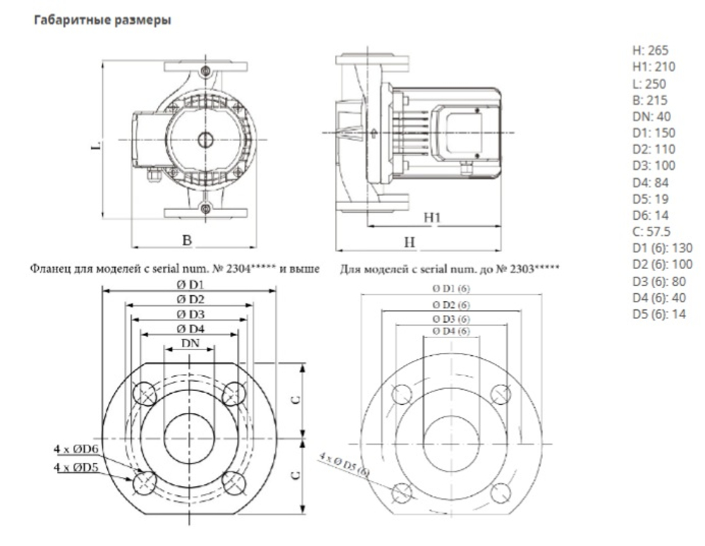
DN40 PN6/10
Номинальная частота вращения n, об/мин
2850
Вал гидравлической части
Нержавеющая сталь
Гидравлический корпус
Чугун EN-GJL-250
Рабочее колесо
композитный материал
Уровень звукового давления
50 dB(A)
Подшипник
карбид кремния
Принцип действия мотора
асинхронный
корпус электродвигателя
алюминий
Габаритная длина, мм
250
Защита электродвигателя от перегрева
биметалл
Класс нагревостойкости изоляции
F
Потребляемая мощность кВт
0.701
Отзывы
Отзывов еще никто не оставлял
