Описание
Стандартный циркуляционный насос с мокрым ротором с резьбовым или фланцевым соединением. Насос предназначен для установки в системах отопления и вентиляции. Обладает пониженным уровнем шума благодаря обновленному дизайну и конфигурации гидравлической части, ротора и рабочего колеса.
Показать полностью
Свернуть
Характеристики
Бренд
Native
Вес, кг
2.9
Минимальная температура перекачиваемой жидкости, °С
2
Макс. напор Hmax, м
5.99
Макс. расход Qmax, м3/ч
4
Максимальная температура перекачиваемой жидкости, °С
110
Номинальный ток, А
0.5
Подключение к сети, В/Гц
1~220 В / 50 Гц
Макс. рабочее давление, бар
10
Подсоединение к трубопроводу
G 1 1/2 PN10
Степень защиты
IP42
Номинальная частота вращения n, об/мин
2850
Вал гидравлической части
керамика
Гидравлический корпус
Чугун EN-GJL-250
Рабочее колесо
композитный материал
Уровень звукового давления
45 dB(A)
Подшипник
керамика
Принцип действия мотора
асинхронный
корпус электродвигателя
алюминий
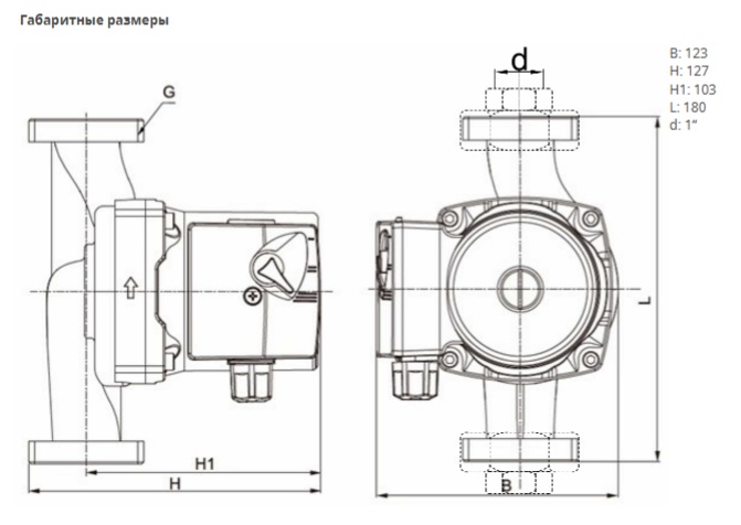
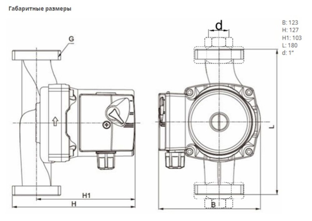
Габаритная длина, мм
180
Класс нагревостойкости изоляции
H
Отзывы
Отзывов еще никто не оставлял
