Описание
Применение:
Загрязненная вода с максимальной температурой перекачиваемой жидкости 95 °C.
Ваши преимущества
- Для перекачивания жидкостей с температурой до 95 °C
- Высокая надежность эксплуатации благодаря контролю температуры и герметичности электродвигателя, а также герметизированному кабельному вводу
- Промежуточная камера с двумя независимыми торцевыми уплотнениями, заполненная белым медицинским маслом
Технические характеристики:
- Подключение к сети: 3~400 В, 50 Гц
- Класс защиты: IP68
- Макс. глубина погружения: 2 м
- Температура перекачиваемой жидкости: – в погруженном состоянии 3 … 95 °C – в частично непогруженном состоянии 3 ... +75 °C
- Длина кабеля: 5 м
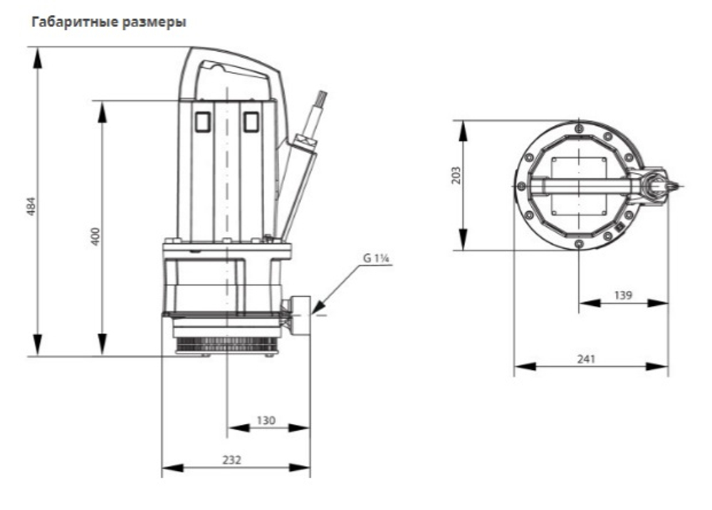
- Напорный патрубок: G 1¼
- Режим работы в погруженном состоянии: S1
- Режим работы в частично погруженном состоянии: S3 25%, S2 30 мин
- Свободный проход: 9 мм
Комплект поставки:
- Корпус и рабочее колесо из серого чугуна
- Датчик контроля температуры обмотки электродвигателя
- Датчик контроля герметичности электродвигателя
Показать полностью
Свернуть
Характеристики
Бренд
WILO
Вес, кг
39
Минимальная температура перекачиваемой жидкости, °С
3
Макс. напор Hmax, м
15.6
Максимальная температура перекачиваемой жидкости, °С
95
Номинальный ток, А
2.5
Подключение к сети, В/Гц
3~380 В / 50 Гц
Макс. рабочее давление, бар
1.8
Степень защиты
IP68
Номинальная частота вращения n, об/мин
2900
Гидравлический корпус
Чугун EN-GJL-250
Рабочее колесо
Чугун EN-GJL-250
Принцип действия мотора
Асинхронный (AC)
корпус электродвигателя
Чугун EN-GJL-250
Защита электродвигателя от перегрева
биметалл
Класс нагревостойкости изоляции
F
Потребляемая мощность кВт
1.105
Коэффициент мощности
0.65
Тип включения
Прямой пуск от сети
Уплотнение со стороны рабочего колеса
QQPGG
Кольцевые уплотнения
HNBR
Подсоединение к трубопроводу DNs
G 1 1/4"
Подсоединение к трубопроводу DNd
G 1 1/4"
Номинальная мощность, кВт
0.75
КПД
67.87%
Режим работы (в погружном состоянии)
S1
Количество пусков в час
50
Тип кабеля электропитания
GSH-J 7x1,5
Отношение пускового тока к номинальному
8
Режим работы (в непогружном состоянии)
S2-30 мин, S3-25%
Уплотнение со стороны электродвигателя
BXPFF
Длина кабеля, м
5
Наличие режущего механизма
Нет
Корпус камеры уплотнений
Чугун EN-GJL-250
Отзывы
Отзывов еще никто не оставлял
